ZD型阻尼彈簧減震器具有彈簧減振器的低頻率和橡陂減振器的大阻尼等雙重優點,將兩者的優點結合,消除了彈簧減振器共振時振幅教增的現象,又解決的橡膠減振器國有頻率較高的難題,是積極、消極隔振的理想產品。ZD型阻尼減振器載荷范圍廣、適應性強,對積極隔振消極隔振和沖擊隔振能同時產生明顯效果,是一種多功能通用性隔振產品。是空調、恒溫設備、風機、冷卻塔、冷凍機組、壓縮機,水泵等承載設備的理想減振產品。
在線咨詢
購買熱線: 021-622-00727
ZD型阻尼彈簧減震器(彈簧減震器)具有彈簧減震器低頻和橡膠減震器阻尼大的雙重優點。結合兩者的優點,消除了彈簧減震器共振時間振幅急劇增加的現象離心機減震器,解決了橡膠減震器固有頻率高的問題。
ZD型阻尼彈簧減振器具有鋼彈簧減振器的低頻率和阻尼大的雙重優點,消除鋼彈簧固有的共振振幅現象。該系列產品特點:
1、減振器彈簧材料為優質60Si2Mn彈簧鋼線,耐疲勞,強度高,承載力大,使用壽命長等特點。
2、荷載范圍廣,便于用戶選擇,固有頻率低,隔振效果好,并且結構緊湊,外形尺寸較小,安裝更換方便,使用安全可靠。
3、對工作環境適應性強,對積極隔振、消極隔振、沖擊振動和固體傳聲的隔離均有明顯的效果。是隔離振動降低噪聲、治理振動公害、保護環境的理想減振器。

請點擊圖片看大圖
請點擊圖片看大圖
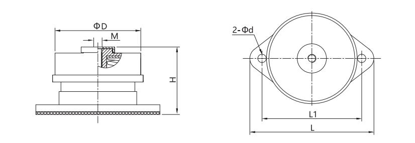
| 型號 | 載荷范圍(Kg) | 外形尺寸(mm) | |||||
| L | L1 | D | H | d | M | ||
| ZD-01 | 30-45 | 172 | 137 | 112 | 82 | 14 | M12 |
| ZD-02 | 45-80 | 172 | 137 | 112 | 82 | 14 | M12 |
| ZD-03 | 80-120 | 172 | 137 | 112 | 85 | 14 | M12 |
| ZD-04 | 120-160 | 174 | 143 | 120 | 92 | 14 | M12 |
| ZD-05 | 160-200 | 174 | 143 | 120 | 92 | 14 | M12 |
| ZD-06 | 200-260 | 174 | 143 | 120 | 95 | 14 | M12 |
| ZD-07 | 260-320 | 174 | 143 | 120 | 95 | 14 | M12 |
| ZD-08 | 320-360 | 222 | 184 | 155 | 105 | 15 | M12 |
| ZD-09 | 360-420 | 222 | 184 | 155 | 105 | 15 | M12 |
| ZD-10 | 420-480 | 222 | 184 | 155 | 105 | 15 | M12 |
| ZD-11 | 480-550 | 222 | 184 | 155 | 105 | 15 | M12 |
| ZD-12 | 550-630 | 222 | 184 | 155 | 105 | 15 | M12 |
| ZD-13 | 630-700 | 270 | 232 | 181 | 120 | 16 | M14 |
| ZD-14 | 700-800 | 270 | 232 | 181 | 120 | 16 | M14 |
| ZD-15 | 800-900 | 270 | 232 | 181 | 120 | 16 | M14 |
| ZD-16 | 900-1050 | 270 | 232 | 181 | 130 | 16 | M14 |
| ZD-17 | 1050-1200 | 270 | 232 | 181 | 130 | 16 | M14 |
| ZD-18 | 1200-1650 | 350 | 305 | 251 | 143 | 16 | M16 |
| ZD-19 | 1650-2200 | 350 | 305 | 251 | 145 | 16 | M16 |
| ZD-20 | 2200-2750 | 350 | 305 | 251 | 150 | 16 | M16 |
| ZD-21 | 2750-3300 | 350 | 305 | 251 | 150 | 16 | M16 |
專業制造、專業服務,駱盈為你創造更多價值 !
不斷提升服務質量,精益求精,“真誠的服務”是駱盈永恒的主題。駱盈嚴格按照 要求,質量嚴格把關,責任到人,確保生產、銷售、服務的健康運行。加強與用戶溝通,竭誠為廣大客戶提供優質產品,至善至美服務,特此駱盈做出如下承諾:
產品標準
產品嚴格按照中國 GB、HG 標準和美國 API 等標準設計、制造、驗收。密封面硬度達到規定要求,寬度超過標準。
售前服務
產品介紹,技術交流,非標產品設計,疑難解答。
售中服務
1、守信合同,保證及時供貨,隨時保持與客戶聯系
2、對特殊或復雜的產品,我廠安排技術人員對用戶進行產品使用、故障排除、調式及維修進行培訓和指導。
售后服務
1、駱盈產品質保期為自出廠起 12 個月,實行“三包”服務(包退、包換、包修)。
2、產品在使用中我廠定期組織技術、檢查人員進行訪問,征詢用戶對產品質量、使用狀況、改進意見等方面的反饋,以便進一步提高產品質量。
3、對用戶投訴產品質量問題,快速做出反映,售后服務人員在 24-36 小時(省外 48 小時)趕赴現場。
4、對售后服務,要求用戶填寫服務后的質量反饋表,并做出鑒定意見,共同提高駱盈的產品質量與服務質量。
1、客戶采購清單請傳真至 021-64207088 E-mail:luoying@luoyingsh.com,或來電咨詢 021-62212627。
2、收到客戶采購清單,為客戶提供產品型號選型與報價(價格清單)。
3、具體商定:交貨期、特殊要求等事宜。
訂貨須知
1、客戶對產品有特殊要求,須在訂貨合同中提供以下說明:
(1)結構長度
(2)連接形式
(3)公稱直徑、全通徑、縮徑、管道尺寸
(4)用介質及溫度、壓力范圍
(5)實驗、檢驗標準及其他要求本廠可根據客戶特殊要求配置定做和設計特殊產品。
2、本廠可根據客戶特殊要求配置定做和設計特殊產品。
3、如由客戶提供確定的產品類型和型號時,客戶應正確說明其型號的含義和要求,在供需雙方理解一致的條件下簽訂合同。
您也可以聯系在線客服